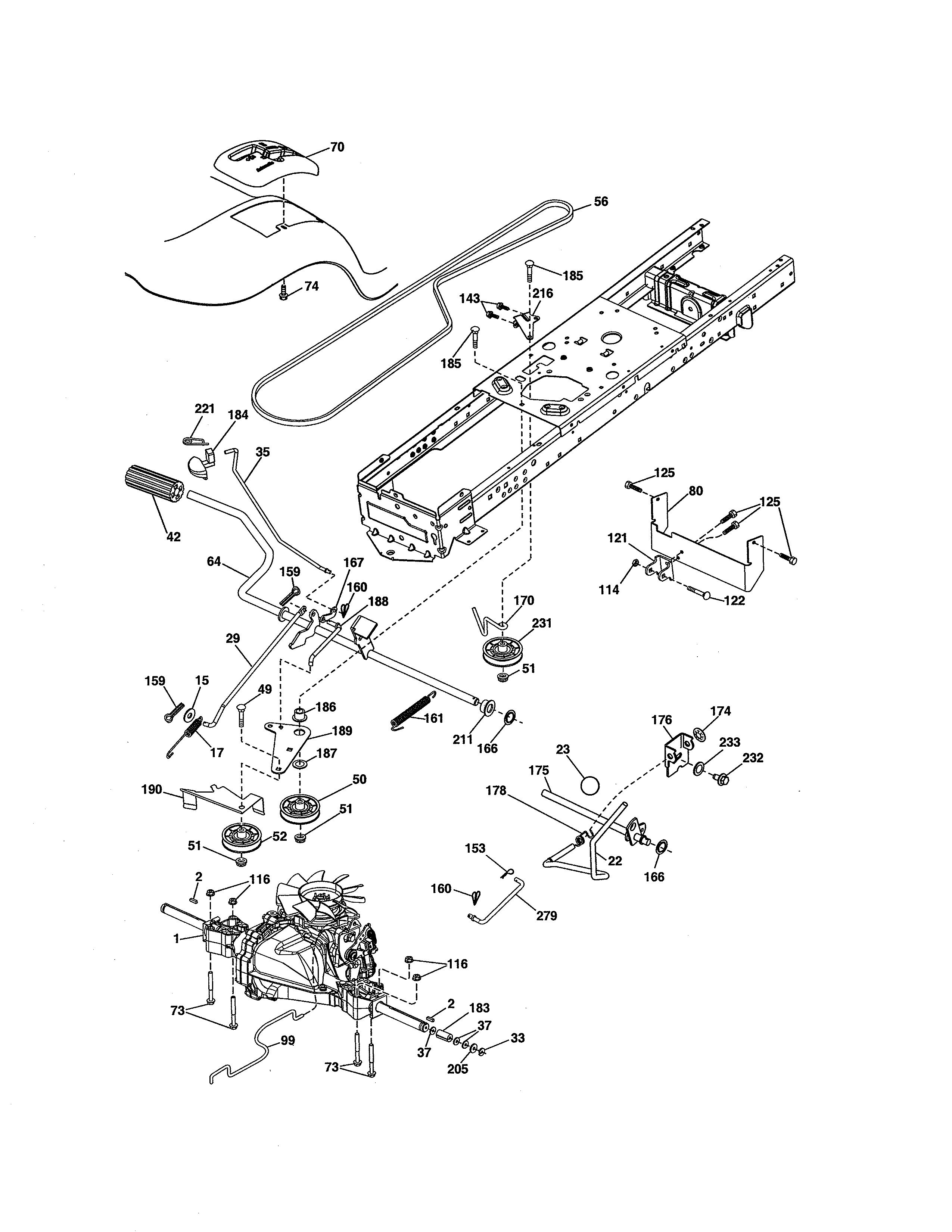
Craftsman T2200 Drive Belt Installation . Web the drive belt drives the rear axle and tires. To change the drive belt on your craftsman. Web the craftsman mower drive belt diagram is a visual representation of how the drive belt is installed within the mower. Web how do i change the drive belt on my craftsman riding lawn mower? This is the first one i've done and. It runs from the front pulley to a pulley located over the rear axle. Web check out this video for quick and easy instructions on how to replace the drive belt included in the following craftsman®. Web having a drive belt diagram for your craftsman t2200 allows you to easily determine if the belt is installed correctly. Web need help with replacing your deck drive belt on your craftsman riding mower. Web in this one, we jump on a broken drive belt on a craftsman riding mower.
from www.ebay.com
This is the first one i've done and. Web need help with replacing your deck drive belt on your craftsman riding mower. Web check out this video for quick and easy instructions on how to replace the drive belt included in the following craftsman®. To change the drive belt on your craftsman. Web having a drive belt diagram for your craftsman t2200 allows you to easily determine if the belt is installed correctly. Web the drive belt drives the rear axle and tires. Web how do i change the drive belt on my craftsman riding lawn mower? Web the craftsman mower drive belt diagram is a visual representation of how the drive belt is installed within the mower. Web in this one, we jump on a broken drive belt on a craftsman riding mower. It runs from the front pulley to a pulley located over the rear axle.
Drive Belt For 42" Craftsman T2200 YT3000 YT4000 YS4500 LT4000 Riding
Craftsman T2200 Drive Belt Installation Web check out this video for quick and easy instructions on how to replace the drive belt included in the following craftsman®. Web check out this video for quick and easy instructions on how to replace the drive belt included in the following craftsman®. Web having a drive belt diagram for your craftsman t2200 allows you to easily determine if the belt is installed correctly. Web the drive belt drives the rear axle and tires. Web need help with replacing your deck drive belt on your craftsman riding mower. Web in this one, we jump on a broken drive belt on a craftsman riding mower. It runs from the front pulley to a pulley located over the rear axle. This is the first one i've done and. Web the craftsman mower drive belt diagram is a visual representation of how the drive belt is installed within the mower. To change the drive belt on your craftsman. Web how do i change the drive belt on my craftsman riding lawn mower?
From techdiagrammer.com
A Comprehensive Guide to Craftsman T2200 Drive Belt Diagram Craftsman T2200 Drive Belt Installation Web check out this video for quick and easy instructions on how to replace the drive belt included in the following craftsman®. To change the drive belt on your craftsman. Web the drive belt drives the rear axle and tires. This is the first one i've done and. Web need help with replacing your deck drive belt on your craftsman. Craftsman T2200 Drive Belt Installation.
From techdiagrammer.com
A Comprehensive Guide to Craftsman T2200 Drive Belt Diagram Craftsman T2200 Drive Belt Installation Web how do i change the drive belt on my craftsman riding lawn mower? It runs from the front pulley to a pulley located over the rear axle. Web in this one, we jump on a broken drive belt on a craftsman riding mower. Web need help with replacing your deck drive belt on your craftsman riding mower. Web having. Craftsman T2200 Drive Belt Installation.
From www.ebay.com
Drive Belt for 42" Craftsman T2200 YT3000 YT4000 YS4500 LT4000 Riding Craftsman T2200 Drive Belt Installation It runs from the front pulley to a pulley located over the rear axle. Web need help with replacing your deck drive belt on your craftsman riding mower. This is the first one i've done and. Web the drive belt drives the rear axle and tires. Web how do i change the drive belt on my craftsman riding lawn mower?. Craftsman T2200 Drive Belt Installation.
From peacecommission.kdsg.gov.ng
Craftsman T2200 Drive Belt Diagram Craftsman T2200 Drive Belt Installation Web how do i change the drive belt on my craftsman riding lawn mower? Web check out this video for quick and easy instructions on how to replace the drive belt included in the following craftsman®. Web having a drive belt diagram for your craftsman t2200 allows you to easily determine if the belt is installed correctly. Web need help. Craftsman T2200 Drive Belt Installation.
From www.ebay.com
Drive Belt For 42" Craftsman T2200 YT3000 YT4000 YS4500 LT4000 Riding Craftsman T2200 Drive Belt Installation Web need help with replacing your deck drive belt on your craftsman riding mower. This is the first one i've done and. Web in this one, we jump on a broken drive belt on a craftsman riding mower. Web how do i change the drive belt on my craftsman riding lawn mower? Web the drive belt drives the rear axle. Craftsman T2200 Drive Belt Installation.
From www.ebay.com
Deck Drive Belt 1/2"x 101" For 42" Cut Craftsman YS4500 T2200 DLS 3500 Craftsman T2200 Drive Belt Installation Web how do i change the drive belt on my craftsman riding lawn mower? Web need help with replacing your deck drive belt on your craftsman riding mower. This is the first one i've done and. Web in this one, we jump on a broken drive belt on a craftsman riding mower. Web check out this video for quick and. Craftsman T2200 Drive Belt Installation.
From yarnens.blogspot.com
2013 craftsman lt2000 drive belt diagram Yarnens Craftsman T2200 Drive Belt Installation Web the craftsman mower drive belt diagram is a visual representation of how the drive belt is installed within the mower. Web in this one, we jump on a broken drive belt on a craftsman riding mower. Web need help with replacing your deck drive belt on your craftsman riding mower. Web check out this video for quick and easy. Craftsman T2200 Drive Belt Installation.
From www.ebay.com
Deck Drive Belt 42" For Lawn Mower Craftsman T2200 YT3000 YT4000 YS4500 Craftsman T2200 Drive Belt Installation Web the craftsman mower drive belt diagram is a visual representation of how the drive belt is installed within the mower. This is the first one i've done and. Web the drive belt drives the rear axle and tires. Web check out this video for quick and easy instructions on how to replace the drive belt included in the following. Craftsman T2200 Drive Belt Installation.
From techdiagrammer.com
A Comprehensive Guide to Craftsman T2200 Drive Belt Diagram Craftsman T2200 Drive Belt Installation Web having a drive belt diagram for your craftsman t2200 allows you to easily determine if the belt is installed correctly. Web how do i change the drive belt on my craftsman riding lawn mower? Web the drive belt drives the rear axle and tires. It runs from the front pulley to a pulley located over the rear axle. This. Craftsman T2200 Drive Belt Installation.
From www.ebay.com
Deck Drive Belt 1/2"x 101" For 42" Cut Craftsman YS4500 T2200 DLS 3500 Craftsman T2200 Drive Belt Installation This is the first one i've done and. Web need help with replacing your deck drive belt on your craftsman riding mower. Web check out this video for quick and easy instructions on how to replace the drive belt included in the following craftsman®. Web in this one, we jump on a broken drive belt on a craftsman riding mower.. Craftsman T2200 Drive Belt Installation.
From www.ebay.com
Drive Belt For 42" Craftsman T2200 YT3000 YT4000 YS4500 LT4000 Riding Craftsman T2200 Drive Belt Installation This is the first one i've done and. Web check out this video for quick and easy instructions on how to replace the drive belt included in the following craftsman®. Web the craftsman mower drive belt diagram is a visual representation of how the drive belt is installed within the mower. Web need help with replacing your deck drive belt. Craftsman T2200 Drive Belt Installation.
From techdiagrammer.com
A Comprehensive Guide to Craftsman T2200 Drive Belt Diagram Craftsman T2200 Drive Belt Installation It runs from the front pulley to a pulley located over the rear axle. This is the first one i've done and. Web the craftsman mower drive belt diagram is a visual representation of how the drive belt is installed within the mower. Web having a drive belt diagram for your craftsman t2200 allows you to easily determine if the. Craftsman T2200 Drive Belt Installation.
From schematicellstopmen.z21.web.core.windows.net
Craftsman Zero Turn Drive Belt Diagram Craftsman T2200 Drive Belt Installation Web need help with replacing your deck drive belt on your craftsman riding mower. Web in this one, we jump on a broken drive belt on a craftsman riding mower. To change the drive belt on your craftsman. Web having a drive belt diagram for your craftsman t2200 allows you to easily determine if the belt is installed correctly. Web. Craftsman T2200 Drive Belt Installation.
From www.ebay.com
Drive Belt for 42" Craftsman T2200 YT3000 YT4000 YS4500 LT4000 Riding Craftsman T2200 Drive Belt Installation This is the first one i've done and. Web the craftsman mower drive belt diagram is a visual representation of how the drive belt is installed within the mower. Web in this one, we jump on a broken drive belt on a craftsman riding mower. Web need help with replacing your deck drive belt on your craftsman riding mower. Web. Craftsman T2200 Drive Belt Installation.
From techdiagrammer.com
A Comprehensive Guide to Craftsman T2200 Drive Belt Diagram Craftsman T2200 Drive Belt Installation To change the drive belt on your craftsman. Web check out this video for quick and easy instructions on how to replace the drive belt included in the following craftsman®. Web the craftsman mower drive belt diagram is a visual representation of how the drive belt is installed within the mower. This is the first one i've done and. Web. Craftsman T2200 Drive Belt Installation.
From www.ebay.com
Deck Drive Belt 42" For Lawn Mower Craftsman T2200 YT3000 YT4000 YS4500 Craftsman T2200 Drive Belt Installation Web the craftsman mower drive belt diagram is a visual representation of how the drive belt is installed within the mower. Web check out this video for quick and easy instructions on how to replace the drive belt included in the following craftsman®. Web need help with replacing your deck drive belt on your craftsman riding mower. Web how do. Craftsman T2200 Drive Belt Installation.
From techdiagrammer.com
A Comprehensive Guide to Craftsman T2200 Drive Belt Diagram Craftsman T2200 Drive Belt Installation Web in this one, we jump on a broken drive belt on a craftsman riding mower. It runs from the front pulley to a pulley located over the rear axle. This is the first one i've done and. Web the drive belt drives the rear axle and tires. Web having a drive belt diagram for your craftsman t2200 allows you. Craftsman T2200 Drive Belt Installation.
From www.ebay.com
Drive Belt For 42" Craftsman T2200 YT3000 YT4000 YS4500 LT4000 Riding Craftsman T2200 Drive Belt Installation Web the craftsman mower drive belt diagram is a visual representation of how the drive belt is installed within the mower. Web need help with replacing your deck drive belt on your craftsman riding mower. Web having a drive belt diagram for your craftsman t2200 allows you to easily determine if the belt is installed correctly. Web check out this. Craftsman T2200 Drive Belt Installation.